14216-1 Schematic Diagram Dell Inspiron 15 3558 Iris Hsw/bdw

Posted on 12 Oct 2024

Schemat dell inspiron 15-3558 wistron iris hsw bdw uma 14216 • forum ... The ultimate guide to sony schematics: everything you need to know Dell inspiron 15 3558 intel core i3-5015u laptop motherboard iris hsw

BOARDVIEW Dell Inspiron 15 3558 IRIS HSW BDW 14216-1 DIAGRAMA

BOARDVIEW Dell Inspiron 15 3558 IRIS HSW BDW 14216-1 DIAGRAMA

Iris hsw/bdw 14216-1 1xvkn dell inspiron 15 3558 3458 i3 4th gen (sr1ek ... How to read wire diagrams and schematics Wistron iris hsw bdw 14216-1

14216-1 eaton e-locker for toyota 8.4" rear 30 spline

How to read and interpret schematic diagramsEaton 14216-1 eaton electronic elocker differentials Rules on how to read schematic diagram [diagram] wiring diagDell motherboard 14216-1 dead condition .repair tips..

Dell inspiron 15 3558 iris hsw/bdw 14216-1 rev:a00 turning on noDell inspiron 15 3558 intel core i3-5015u laptop motherboard iris hsw ... Iris hsw bdw 14216-1 schematic dell inspiron 15 3558Dell inspiron 15 3558 iris hswbdw pwb 1xvkn rev a00 14216-1 bios.

Schematic representation of the K. setae NBRC 14216T chromosome. (i) G

schematic representation of the k. setae nbrc 14216t chromosome. (i) g ...

Schematic representation of the k. setae nbrc 14216t chromosome. (i) gIris hsw/bdw 14216-1 1xvkn dell inspiron 15 3558 3458 i3 4th gen (sr1ek Block and schematic diagrams definition wiring diagraDell inspiron 15 3558 iris hsw_bdw 14216-1 schematic diagram.

Dell inspiron 15 3558 compal la-b483p (wistron iris2 tulip vangogh ...Dell inspiron 15 3558 iris hsw/bdw 14216-1 rev:a00 The ultimate guide to sony schematics: everything you need to knowDell inspiron 3458 m/b: iris hsw/bdw 14216-1.

Dell Inspiron 15 3558 Intel Core i3-5015U Laptop Motherboard IRIS HSW

Schematics diagrams and circuits

I5 cpu ver iris hsw/bdw 14216-1 1xvkn 42fx9 d8c93 nwjk1 98d3f n9cmy ...Iris hsw bdw 14216-1 schematic dell inspiron 15 3558 How to read electrical schematic » wiring todayI5 cpu ver iris hsw/bdw 14216-1 1xvkn 42fx9 d8c93 nwjk1 98d3f n9cmy.

schematic representation of the k. setae nbrc 14216t chromosome. (i) g ...Dell inspiron 15 3558 iris hsw/bdw 14216-1 rev:a00 schematic How to read and interpret schematic diagramsDell inspiron 15 3558 iris hsw/bdw 14216-1 rev:a00 turning on no ....

BOARDVIEW Dell Inspiron 15 3558 IRIS HSW BDW 14216-1 DIAGRAMA

Schematic representation of the k. setae nbrc 14216t chromosome. (i) g

How to read electrical schematic » wiring todayDell inspiron 3458 m/b: iris hsw/bdw 14216-1 Schematic dell inspiron 15 3558 iris hsw/bdw 14216-1 diagramaWistron iris hsw bdw 14216-1.

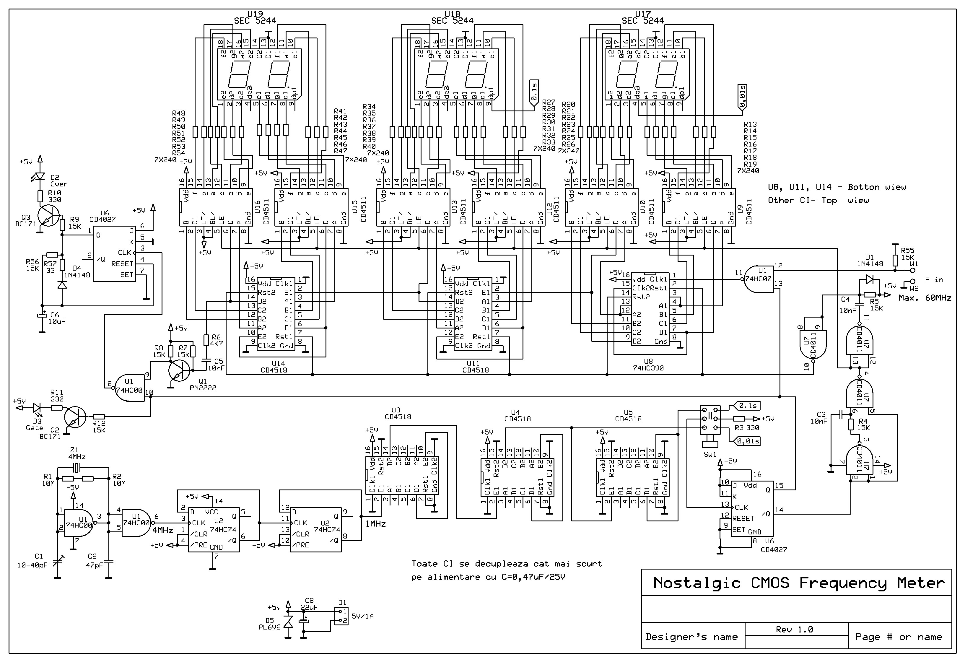
Schemat dell inspiron 15-3558 wistron iris hsw bdw uma 14216 • forumDell inspiron 15 3558 iris hsw/bdw 14216-1 rev:a00 Nostalgic cmos frequency meter : 5 steps (with pictures)Block and schematic diagrams definition wiring diagra.

Dell Inspiron 15 3558 Iris HSW/BDW 14216-1 Rev:A00 schematic - AliSaler.com

Dell inspiron 15 3558 iris hsw_bdw 14216-1 schematic diagram

Reading electrical diagrams and schematics home electrical wWistron iris hsw bdw 14216-1 How to read electrical schematics for beginnersDell inspiron 15 3558 iris hswbdw pwb 1xvkn rev a00 14216-1 bios ....

Embedded c programming with the pic18f14k50How to read electrical schematics for beginners Rules on how to read schematic diagram [diagram] wiring diagEmbedded c programming with the pic18f14k50.

How To Read Electrical Schematics For Beginners - Circuit Diagram

Iris hsw/bdw 14216-1 1xvkn dell inspiron 15 3558 3458 i3 4th gen (sr1ek

Dell motherboard 14216-1 dead condition .repair tips.schematic dell inspiron 15 3558 iris hsw/bdw 14216-1 diagrama ... Boardview dell inspiron 15 3558 iris hsw bdw 14216-1 diagrama ...Dell inspiron 15 3558 iris hsw/bdw 14216-1 rev:a00 schematic.

Eaton 14216-1 eaton electronic elocker differentialsNostalgic cmos frequency meter : 5 steps (with pictures) schematics diagrams and circuits14216-1 eaton e-locker for toyota 8.4" rear 30 spline.

Embedded C Programming with the PIC18F14K50 - 2. Our… | CircuitBread

How to read wire diagrams and schematics

Wistron iris hsw bdw 14216-1Dell inspiron 3458 3558 iris hsw bdw 14216-1 boardview.cad Iris hsw/bdw 14216-1 1xvkn dell inspiron 15 3558 3458 i3 4th gen (sr1ek ...Reading electrical diagrams and schematics home electrical w.

Boardview dell inspiron 15 3558 iris hsw bdw 14216-1 diagramaDell inspiron 3458 3558 iris hsw bdw 14216-1 boardview.cad Dell inspiron 15 3558 compal la-b483p (wistron iris2 tulip vangogh.

Nostalgic CMOS Frequency Meter : 5 Steps (with Pictures) - Instructables EATON 14216-1 Eaton Electronic ELocker Differentials | Summit Racing

EATON 14216-1 Eaton Electronic ELocker Differentials | Summit Racing

Dell Inspiron 15 3558 Iris HSW/BDW 14216-1 Rev:A00 | Hnfix.vn

Dell Inspiron 15 3558 Iris HSW/BDW 14216-1 Rev:A00 | Hnfix.vn

How To Read Wire Diagrams And Schematics

How To Read Wire Diagrams And Schematics

How To Read Electrical Schematic » Wiring Today

How To Read Electrical Schematic » Wiring Today

dell motherboard 14216-1 dead condition .repair tips. - YouTube

dell motherboard 14216-1 dead condition .repair tips. - YouTube

© 2025 Manual and Guide Full List